
患者,女性,12岁,因"发现背部隆起不对称2年余,加重半年"为主诉就诊我院。
幼年时存在下肢行走不稳症状,未进行治疗。2018年背部出现隆起,2019年下肢行走不稳症状及后背部隆起明显加重,全脊柱X线片示脊柱侧凸。腰背部侧弯;骨盆向左侧倾斜,四肢纤细,双下肢肌力4级,双足背伸肌力3级,肌张力正常。左侧腰背部隆起,右侧跟腱挛缩,腹壁反射、双膝腱反射正常,病理反射未引出。
行走不稳,右侧跟腱挛缩;下肢肌力减退;左侧腰背部隆起,骨盆左倾,全脊柱X线摄影示脊柱侧凸(Cobb角96.5°);椎旁肌病理报告示组织学符合先天性肌病/肌营养不良;全外显子测序示受检者MYH7基因MYH7可疑杂合突变c.4850_4852delAGA p.Lys1617del,MYH7基因突变为本病可能遗传学病因。
该疾病治疗方法为对临床表现进行针对性治疗,入院行心脏彩超、X线、肺功能等检查评估病情,排除手术禁忌症后,择期行后入路胸腰椎融合+后入路腰骶融合术对脊柱进行矫形,术后予以预防抗炎、对症、支持治疗。
患者术后病情稳定,一般情况可,无特殊不适,神清,精神反应可,背部敷料在位干燥,伤口愈合良好,无红肿、渗出,X线示矫形效果满意,内固定位置良好。3个月后随访患者一般情况可,全脊柱X线示脊柱术后观,内固定在位,背部伤口已愈合,无特殊不适。
骨科;遗传科;儿科;康复科
版权归中华医学会所有。本文为遵循CC-BY-NC-ND协议的开放获取文章。
Laing型远端肌病(OMIM:160500)是一种由编码骨骼肌和心室1型纤维的肌球蛋白重链的MYH7基因(OMIM:160760)突变引起的罕见遗传性远端肌病。1995年Laing等[1]发现并报道该疾病,故而命名为Laing型远端肌病,又称为远端肌病1型(MPD1),为常染色体显性遗传疾病。MYH7基因突变临床表现特征为早发性肌无力,通常发生在5岁之前,最初累及脚踝和足拇指的背屈肌,其次为第三和第四指伸肌,大多数患者还伴有颈屈肌无力,或伴有轻度面部肌无力。在远端肌无力发生超过10年后,可出现轻度近端肌无力,但预后较好,不影响预期寿命[2,3]。检索相关文献,国内外已有多起散发病例及家系病例报道[3,4,5,6]。
肌球蛋白是一个高度保守的蛋白家族,为包括肌肉收缩在内的各种细胞运动提供机械力[7]。肌球蛋白由两个肌球蛋白重链和两对轻链亚基组成,MYH7基因编码其中的肌球蛋白重链,主要用于编码骨骼肌和心室的1型肌纤维。MYH7基因变异可引起多种心肌和骨骼肌疾病,包括家族性肥厚型心肌病、扩张性心肌病和Laing型远端肌病等[8]。
我们总结了1例通过基因诊断确诊为MYH7基因突变所致的Laing型远端肌病的患者,总结分析其临床资料并对相关文献资料进行复习,以期提高对本疾病的认识。
患者,女,12岁,因"发现背部隆起不对称2年余,加重半年"为主诉就诊我院。幼年时存在下肢行走不稳症状,未进行治疗。2018年背部出现隆起,仍未予以治疗。2019年下肢行走不稳症状加重,后背部隆起明显加重,全脊柱X线片示脊柱侧凸。腰背部侧弯,左侧腰背部隆起;骨盆向左侧倾斜,四肢纤细,双下肢肌力4级,双足背伸肌力3级,肌张力正常,右侧跟腱挛缩。入院行心脏彩超、X线、肺功能等检查评估病情,排除手术禁忌证后,择期行脊柱侧弯矫形术,术后予以预防抗炎、对症、支持治疗。
体格检查:体温正常,神志清,精神可,全身皮肤无异常毛发,无咖啡斑,无纤维瘤组织,未扪及异常包块;腰背部侧弯,左侧腰背部隆起;骨盆向左侧倾斜,四肢纤细,双下肢肌力4级,双足背伸肌力3级,肌张力正常。右侧跟腱挛缩,腹壁反射、双膝腱反射正常,病理反射未引出。
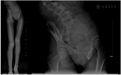
辅助检查:生化全套示碱性磷酸酶为201.8 U/L(参考范围47~185 U/L),总蛋白为60.6 g/L(参考范围65~85 g/L),白蛋白为39.1 g/L(参考范围40~55 g/L),尿素为2.8 mmol/L(参考范围2.9~7.5 mmol/L),肌酐为26 µmol/L(参考范围44~106 µmol/L),总二氧化碳19.9 mmol/L(参考范围22~32 mmol/L),L-胆固醇1.84 mmol/L(参考范围1.89~3.10 mmol/L),载脂蛋白A I为0.85 g/L(参考范围1.00~2.05 g/L),载脂蛋白B为0.56 g/L(参考范围0.6~1.2 g/L)其余正常;肌酸激酶MB同工酶为20 U/L(参考范围1~18 U/L);凝血五项示活化部分凝血活酶时间为35.6 s(参考范围25.0~31.3 s),其余正常。全脊柱普放X线摄影(图1)示脊柱呈明显"S"型弯曲,以胸椎为中心,两侧肋骨12对,未见明显骨性异常,肋间肌尚可,脊柱椎体形态大致正常,未见明显椎体骨性异常,各椎体间隙未见明显异常改变,脊柱侧凸畸形(Cobb角96°,SVA 2.9 cm,冠状面平衡偏离4.8 cm)。立位全下肢X线摄影(图2)示双下肢不等长,骨盆左倾(骨盆倾斜角20°)。




超声心动图:心功能检测左室EF57%,二尖瓣、三尖瓣轻度反流,二尖瓣增厚。
椎旁肌活检病理报告:组织学符合先天性肌病/肌营养不良,特殊染色及免疫组化:MHCs、MHCf示两型肌纤维均受累,以Ⅱ型肌纤维萎缩为著,Ⅰ型肌纤维优势;NADH-TR示少量虫蚀纤维、COX、SDH示少量肌纤维酶活性紊乱,COX/SDH示极个别蓝染纤维。(图3)


基因分析:全外显子基因测序报告为MYH7基因可疑杂合突变c.4850_4852delAGA p.Lys1617del,可符合Laing远端肌病。
入院时患者一般情况可,精神反应可,心脏彩超、X线、肺功能等检查评估病情,排除手术禁忌症后,择期行后入路胸腰椎融合+后入路腰骶融合术对脊柱进行矫形,术中于T3-L5双侧按术前规划选择性植入椎弓根螺钉,双侧置入S2AI螺钉,透视确定螺钉位置良好后使用叠棒技术于腰弯凹侧置入短矫形棒一根并平移撑开矫形固定,再于短棒外侧安装长预弯矫形棒进一步撑开矫形固定,然后于腰弯凸侧放置矫形棒一根加压抱紧后拧紧固定,最后于近远端分别置于横联连接凹侧和凸侧矫形棒。术后予以预防抗炎、对症、支持治疗。术后患者复查CT示T10内固定左侧螺钉位置不良,再次行手术取出T10内固定左侧螺钉。待患者可自行站立后,复查全脊柱X线摄影示内固定位置良好(图4)。


Laing型远端肌病是一种肌球蛋白基因表达缺陷引起的常染色体显性遗传疾病,主要由MYH7基因(OMIM:160760)突变引起,临床表现包括早期足部拇指和踝部背屈肌无力(通常发生于5岁前),逐渐累及手指伸肌,且常伴有手部震颤;面部肌无力,尤其以眼轮匝肌和口肌为重;颈部屈曲无力。Laing型远端肌病患者通常病情进展缓慢,逐渐累及近端与躯干肌肉;三分之一的患者出现心脏并发症,如肥厚型心肌病和扩张性心肌病;三分之一的患者出现脊柱并发症,如脊柱后凸、脊柱侧凸、脊柱僵直。患者通常血清肌酸激酶浓度正常,但极少数情况下可出现增高8倍以上[3],本病例患者血清肌酸激酶浓度稍高于参考值。
MYH7基因是一种编码肌球蛋白重链的蛋白质编码基因,定位于14q11.2上,有38个外显子和2个内含子,共编码1,935个氨基酸,长度约为22,883bp[9]。肌球蛋白由两个肌球蛋白重链亚基(MyHC)和两对轻链亚基构成。横纹肌有几种MyHC亚型,在不同的肌肉类型中均有表达,MYH7编码其中的β-心肌MyHC,主要用于表达慢肌纤维[10]。β-心肌MyHC可分为由氨基酸1-847组成的N端球形头部区域和由氨基酸848-1935组成的C末端杆状区域[11]。MYH7基因突变可引起多种心肌和骨骼肌疾病。来自头部区域的突变主要导致心肌疾病,而来自杆状区域的突变主要导致骨骼肌疾病[8]。大多数与Laing型远端肌病相关的致病变异发生在外显子32-39,包括脯氨酸、精氨酸和缬氨酸[2]。
Meredith等[12]对患有该疾病的家系中所有受影响者进行基因测序,鉴定出5个会在局部破坏肌球蛋白尾部正常的卷曲螺旋结构的杂合突变。结果表明,朝向MYH7 3-prime末端的杂合突变可导致Laing型远端肌病。
Armel等[13]发现肌纤维组装是多步骤过程,包括将α螺旋正确折叠成卷曲螺旋,再以适当方式组装成肌纤维,任何一个缺陷都会导致肌肉相关疾病。与MYH7基因突变相关的部分病例还表现出肌球蛋白沉积性肌病[14,15,16]、扩张性和肥厚型心肌病[17]。肌球蛋白沉积性肌病又称为透明体肌病,是一种先天性肌病,其特征为I型肌纤维透明肌膜下ATP酶和肌球蛋白阳性抗体蓄积。临床特征可变,不同患者表现出近端、肩胛骨或全身肌无力[16]。本病例根据组织学检查符合先天性肌病,结合临床病史(行走不稳,运动不耐受,远端肌无力,脊柱侧弯)和临床全外显子组测序(MYH7可疑杂合突变c.4850_4852delAGA p.Lys1617del)可符合Laing远端肌病,可排除肌球蛋白沉积性疾病。本例患者行心脏彩超检查未表现出明显心肌肥厚与扩大,但有文献报道Laing型远端肌病常合并心肌疾病[2]。
Laing型远端肌病的另一个主要鉴别诊断是其他类型远端肌病,包括Udd远端肌病、GNE肌病和肌纤维肌病[18]。Laing型远端肌病与这些肌病的主要区别为发病年龄较小和易出现颈部屈曲无力。但由于其发病年龄较小,任何先天性肌病都有可能是鉴别诊断,如肌肉中枢疾病(OMIM:117000)和线状体肌病(OMIM:256030)等。此时,基因诊断为最有效的鉴别手段。
为了确定Laing型远端肌病患者的病情程度,需进行详细检查评估,主要包括病史以及就诊时的体格检查。体格检查时应着重关注有无跟腱挛缩和其他肌肉无力存在的部位。由于三分之一的Laing型远端肌病患者伴随心肌疾病,还需要进行心电图和超声心动图检查。该疾病为常染色体显性遗传,因此还需要对患者所在家系进行遗传学调查。据报道有大约65%~70%的患者家系中有相似病例,而且,由于家系中患者可能症状较轻微或发病时间较晚,所以有可能会出现家族史为假阴性的患者。
在确诊后,即使患者并未出现其他并发症,也应对患者定期复查,如生长发育较为迅速的青春期,需定期检查脊柱,有助于早期发现脊柱畸形;如出现心功能不全症状,需定期复查心电图和超声心动图。
Laing型远端肌病患者的治疗为对症治疗,根据其临床表现制定治疗方案,如本病例表现为严重的脊柱侧凸,因此对该患者行脊柱矫正手术。对于跟腱挛缩,如病情较严重,可使用脚踝夹板进行治疗[2]。对于伴有严重心肌疾病的患者,ACEI类药物可能是改善心肌重塑的理想药物。而对于脊柱僵直的患者,目前还没有较好的治疗手段[2]。
综上所述,Laing型远端肌病与MYH7基因突变引起的肌球蛋白重链亚基编码异常有关。根据国内外的报道,超过50%的病例与该基因直接相关,因此对于临床疑似患者,可进行基因诊断结合临床表现与体格检查确诊,及时对症支持治疗,同时为患者所在家系提供遗传咨询。
所有作者均声明本研究不存在利益冲突





















